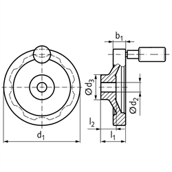
Werkstoff: Aluminium-Kokillenguss, kunststoffbeschichtet, schwarz, strukturmatt.

Nabe bearbeitet. Radkranz allseitig gedreht. Der Radkranz ist vor dem Beschichten bearbeitet, dadurch ist ein einwandfreier Rundlauf gewährleistet.

Ausführung B/G: Ohne Passfedernut.

Ausführung N/G: Mit Passfedernut DIN 6885-1.

Service:

Katalogseite



Die angebotenen CAD-Daten, Abbildungen und technischen Zeichnungen werden mit größtmöglicher Sorgfalt erstellt.
Dennoch kann keine Gewährleistung für die Fehlerfreiheit und Genauigkeit dieser Daten übernommen werden.

( freibleibend aus Lagervorrat / kurzfristig lieferbar / Lieferzeit nach Vereinbarung. Bitte fragen Sie nach. )
Artikel Menge Ausführungd1
[mm]
d2H7
[mm]
d3
[mm]
b1
[mm]
l1
[mm]
l2
[mm]
Griff-Ø
[mm]
Grifflänge
[mm]
Gewicht
[g]
67091100
B/G8010261326161644,0160
67091200
B/G10010281430171858,5250
67091300
B/G12512311533182261,5400
67091400
B/G140143616,536192476,5510
67091500
B/G16014361839202476,5670
67091600
B/G200184220,545242586,51030
67091700
B/G25022482351282586,51670
67091101
N/G8010261326161644,0160
67091201
N/G10010281430171858,5250
67091301
N/G12512311533182261,5400
67091401
N/G140143616,536192476,5510
67091501
N/G16014361839202476,5670
67091601
N/G200184220,545242586,51030
67091701
N/G25022482351282586,51670


zur Gruppe


Impressum AGB Hilfe Datenschutzerklärung Index


MÄDLER on Facebook Facebook MÄDLER on Youtube YouTube MÄDLER on X X MÄDLER on Instagram Instagram MÄDLER on Xingk Xing MÄDLER on Linkedin LinkedIn