Werkstoff: Edelstahl 1.4057 (V4A).

Die Spannbuchse besteht aus einer doppelwandigen, mit einem Druckmedium gefüllten Stahlhülse und einem Flanschteil. Im Flansch befindet sich eine Schraube und ein Kolben mit Dichtung für den Druckaufbau.
Funktion: Wird die Druckschraube angezogen, dehnt sich die Hülse gleichförmig gegen Welle und Nabe aus und erzeugt eine feste Verbindung durch Reibschluss. Nach dem Lösen der Druckschraube geht die Hülse in ihren ursprünglichen Zustand zurück und kann leicht demontiert werden.
Rundlaufgenauigkeit: 0,02 mm.
Einbau-Toleranzen: Bei Größe d = 15mm: Welle h7. Nabe H7. Bei Größe d = 19, 22, 24, 28, 32, 38 und 48mm: Welle k6 - h7. Nabe H7. Übrige Größen: Welle h8. Nabe H7. Temperaturbereich: -30° bis +85°C.


Service:

Katalogseite



Die angebotenen CAD-Daten, Abbildungen und technischen Zeichnungen werden mit größtmöglicher Sorgfalt erstellt.
Dennoch kann keine Gewährleistung für die Fehlerfreiheit und Genauigkeit dieser Daten übernommen werden.

( freibleibend aus Lagervorrat / kurzfristig lieferbar / Lieferzeit nach Vereinbarung. Bitte fragen Sie nach. )
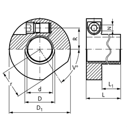
Artikel Menge d
[mm]
D
[mm]
D1
[mm]
L
[mm]
L1
[mm]
r
[mm]
V
[°]
Übertragbares Drehmoment T
[Nm]
Übertragbare Axialkraft Fax
[kN]
Übertragbare Radialkraft Fr
[kN]
PW
[N/mm²]
PN
[N/mm²]
Schrauben
[DIN 915, A4]
R
[mm]
N
[mm]
Anzugsmoment TA
[Nm]
Gewicht
[kg]
61599915
151846392519,953465,10,59070M1015,1550,16
61599920
202451,5443022,6561109,119070M1018550,21
61599925
253058493525,858230151,59070M1020,8550,27
61599930
303664,5544029,1593802129070M1023,6550,35
61599935
354273594533,758640302,59070M1026,4550,48
61599940
404886,5755537,75911004539070M16328210,88
61599945
455493785841,1591400513,59070M1634,88211,05
61599950
506098,5806043,7601900634,59070M1637,58211,2


zur Gruppe


Impressum AGB Hilfe Datenschutzerklärung Index


MÄDLER on Facebook Facebook MÄDLER on Youtube YouTube MÄDLER on X X MÄDLER on Instagram Instagram MÄDLER on Xingk Xing MÄDLER on Linkedin LinkedIn