Werkstoff: GG25, Zähne hohlgefräst.

Zweigängige Schneckenräder mit beidseitiger Nabe. Zur Kombination mit zweigängigen Standard-Hohlschnecken oder Standard-Schneckenwellen Modul 4,0. Durch die unterschiedlichen Schneckenräder können verschiedene Übersetzungen bei verschiedenen Achsabständen realisiert werden (siehe Auflistung auf der PDF-Katalogseite).

Eingriffswinkel 20° .

Wirkungsgrad: ca. 0,67. Nicht selbsthemmend. *Die Schneckenräder werden je nach Vormaterial mit oder ohne Maß C geliefert!

Service:

Katalogseite

Katalogseite

Zusätzliche Informationen



Die angebotenen CAD-Daten, Abbildungen und technischen Zeichnungen werden mit größtmöglicher Sorgfalt erstellt.
Dennoch kann keine Gewährleistung für die Fehlerfreiheit und Genauigkeit dieser Daten übernommen werden.

( freibleibend aus Lagervorrat / kurzfristig lieferbar / Lieferzeit nach Vereinbarung. Bitte fragen Sie nach. )
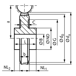
Artikel Menge ZähnezahlÜbersetzungd0
[mm]
da
[mm]
ND
[mm]
NL1/NL2
[mm]
b
[mm]
L
[mm]
G
[mm]
C *
[mm]
a
[mm]
BH7
[mm]
zul. MD
[Nm]
Gewicht
[kg]
31050500
168 : 164765021/53460--5720131,00
31050700
2010 : 180925021/53460--6520211,60
31051100
2613 : 11041165521/5346080147722482,10
31051800
4020 : 11601727521/5346012514105301664,50
31052100
5226 : 12082208526/5346517514129353406,70


zur Gruppe


Impressum AGB Hilfe Datenschutzerklärung Index


MÄDLER on Facebook Facebook MÄDLER on Youtube YouTube MÄDLER on X X MÄDLER on Instagram Instagram MÄDLER on Xingk Xing MÄDLER on Linkedin LinkedIn