Werkstoff: G-CuSn12, Zähne hohlgefräst.

Zweigängige Schneckenräder mit beidseitiger Nabe. Zur Kombination mit zweigängigen Standard-Hohlschnecken oder Standard-Schneckenwellen Modul 1,5. Durch die unterschiedlichen Schneckenräder können verschiedene Übersetzungen bei verschiedenen Achsabständen realisiert werden (siehe Auflistung auf der PDF-Katalogseite).

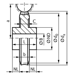
Eingriffswinkel 20° .

Wirkungsgrad: ca. 0,65. Nicht selbsthemmend. *Die Schneckenräder werden je nach Vormaterial mit oder ohne Maß C geliefert!

Service:

Katalogseite

Katalogseite

Zusätzliche Informationen



Die angebotenen CAD-Daten, Abbildungen und technischen Zeichnungen werden mit größtmöglicher Sorgfalt erstellt.
Dennoch kann keine Gewährleistung für die Fehlerfreiheit und Genauigkeit dieser Daten übernommen werden.

( freibleibend aus Lagervorrat / kurzfristig lieferbar / Lieferzeit nach Vereinbarung. Bitte fragen Sie nach. )
Artikel Menge ZähnezahlÜbersetzungd0
[mm]
da
[mm]
ND
[mm]
NL
[mm]
b
[mm]
L
[mm]
C *
[mm]
a
[mm]
BH7
[mm]
zul. MD
[Nm]
Gewicht
[g]
30120500
168 : 12428,4186/61224-24,580,6060
30120600
189 : 12731,7208/81228-2680,7080
30120700
2010 : 13034,7258/81228-27,5101,10130
30121300
3015 : 14549,7308/81228-35102,80260
30121800
4020 : 16064,73010/101232-42,5106,90400
30122000
5025 : 17579,73010/10123210501012,10440
30123200
10050 : 1150154,74510/1012321087,51249,001300


zur Gruppe


Impressum AGB Hilfe Datenschutzerklärung Index


MÄDLER on Facebook Facebook MÄDLER on Youtube YouTube MÄDLER on X X MÄDLER on Instagram Instagram MÄDLER on Xingk Xing MÄDLER on Linkedin LinkedIn