Werkstoff: bis Art. 36105700: 11SMn30+SH (1.0715). Ab Art. 36106000: C45.
Verzahnungsqualität 8 analog DIN 3967 (ab Modul 2).
Zähne bis Modul 5 ballig gefräst, ab Modul 6 gerade gehobelt.
Nicht gehärtet – nicht geläppt. Achswinkel = 90º.
Die Kegelräder laufen nur paarweise im gleichen Übersetzungsverhältnis und bei gleichem Modul.

Hinweis zur Bestellung: Diese Räder werden einzeln geliefert, nicht als Satz. Für einen Satz müssen zwei Räder bestellt werden. Bei Übersetzung 2:1 sind 2 Stück mit gleichem Modul, mit unterschiedlicher Zähnezahl in der entsprechenden Übersetzung erforderlich.

Service:

Katalogseite

Zusätzliche Informationen



Die angebotenen CAD-Daten, Abbildungen und technischen Zeichnungen werden mit größtmöglicher Sorgfalt erstellt.
Dennoch kann keine Gewährleistung für die Fehlerfreiheit und Genauigkeit dieser Daten übernommen werden.

( freibleibend aus Lagervorrat / kurzfristig lieferbar / Lieferzeit nach Vereinbarung. Bitte fragen Sie nach. )
Artikel Menge Übersetzung
[i]
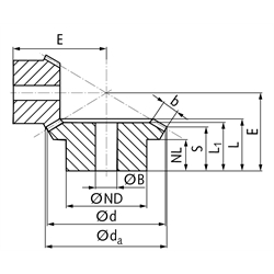
ModulZähnezahlda
[mm]
d
[mm]
ND
[mm]
NL
[mm]
L1
[mm]
L
[mm]
S
[mm]
b
[mm]
BH7
[mm]
E
[mm]
zul. MD
[Nm]
Gewicht
[g]
passendes Gegenrad
[Artikel-Nr.]
36026000
2:1 (20/40)0,52011,21084,07,07,55,03414,650,017236026100
36026100
2:1 (20/40)0,54020,320125,07,58,47,13411,830,034836026000
36055600
2:1 (15/30)11517,415136,51111,97,655220,0631036055700
36055700
2:1 (15/30)13030,630209,01315,113,155200,1264036055600
36075600
2:1 (15/30)1,51526,122,5186,51314,88,47,68300,222636075700
36075700
2:1(15/30)1,53045,94530121820,717,67,610280,4412436075600
36076000
2:1 (20/40)1,52033,630209,51921,612,910,18420,545936076100
36076100
2:1 (20/40)1,54060,96040121922,017,910,115321,0823436076000
36105600
2:1 (15/30)21533,730207,52223,010,91410400,595836105700
36105700
2:1 (15/30)23061,86040122427,221,91415351,1831236105600
36106000
2:1 (20/40)22043,740307,52224,010,91510501,413236106100
36106100
2:1 (20/40)24081,88050182932,826,91520452,859336106000
36115600
2:1 (15/30)2,51542,237,53015,43133,318,61710553,416036115700
36115700
2:1 (15/30)2,53077,3755010,02428,121,61715386,853036115600
36116000
2:1 (20/40)2,52054,65030143436,619,22010684,328036116100
36116100
2:1 (20/40)2,540102,310060152933,325,32025488,697036116000
36145600
2:1 (15/30)31550,6453011,53335,416,42210606,127036145700
36145700
2:1 (15/30)33092,8905010,02630,722,322204212,275036145600
36146000
2:1 (20/40)32065,66040103336,114,425157315,245036146100
36146100
2:1 (20/40)340122,812060183438,728,825255630,4140036146000
36185600
2:1 (15/30)41567,56040103841,016,928207514,641036185700
36185700
2:1 (15/30)430123,812060153339,428,828255529,2160036185600
36186000
2:1 (20/40)42087,48050134548,021,9302010035,097036186100
36186100
2:1 (20/40)440163,716080204045,733,730307070,0330036186000
36215600
2:1 (15/30)51584,47560155054,121,438209430,298036215700
36215700
2:1 (15/30)530154,715070154046,732,238306560,4303036215600
36216000
2:1 (20/40)520109,310060185862,127,3402512572,4189036216100
36216100
2:1 (20/40)540204,720090204855,639,7403585144,8648036216000
36736000
2:1 (20/40)620130,71207015586723,65030139,9130296036736100
36736100
2:1 (20/40)640245,324010020505837,7504092,3260961036736000


zur Gruppe


Impressum AGB Hilfe Datenschutzerklärung Index


MÄDLER on Facebook Facebook MÄDLER on Youtube YouTube MÄDLER on X X MÄDLER on Instagram Instagram MÄDLER on Xingk Xing MÄDLER on Linkedin LinkedIn