Werkstoff: Stahl, blau lackiert.

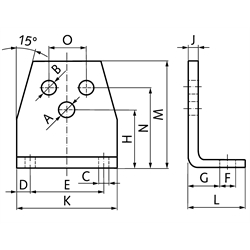
Der Montagewinkel ermöglicht eine einfache Montage des Spannelements oder Kettenspannrads / Umlenkrads an der Maschine. Die Bohrung A dient zur Befestigung mit der zentralen Schraube des Spannelements. Die Montage kann wahlweise an der Vorderseite oder Rückseite des Winkels erfolgen. Die beiden Bohrungen B können bei einer anderweitigen Verwendung des Winkels genutzt werden.

Service:

Katalogseite



Die angebotenen CAD-Daten, Abbildungen und technischen Zeichnungen werden mit größtmöglicher Sorgfalt erstellt.
Dennoch kann keine Gewährleistung für die Fehlerfreiheit und Genauigkeit dieser Daten übernommen werden.

( freibleibend aus Lagervorrat / kurzfristig lieferbar / Lieferzeit nach Vereinbarung. Bitte fragen Sie nach. )
Artikel Menge Für Größe
[Spannelement]
TypA
[mm]
B
[mm]
C
[mm]
D
[mm]
E
[mm]
F
[mm]
G
[mm]
H
[mm]
J
[mm]
K
[mm]
L
[mm]
M
[mm]
N
[mm]
O
[mm]
Gewicht
[kg]
14080001
0WS 11-156,55,577,5301311,527445304635100,08
14080101
1WS 15-188,56,577,5401313,534555325844120,15
14080201
2WS 18-2710,58,59,5105015,516,543670387455200,30
14080301
3WS 27-3812,510,511,512,56521,52157890529875250,66
14080401
4WS 38-4516,512,514158024216681105511685350,94
14080402
4WS 38-4520,520,514158024216681105511685350,94


zur Gruppe


Impressum AGB Hilfe Datenschutzerklärung Index


MÄDLER on Facebook Facebook MÄDLER on Youtube YouTube MÄDLER on X X MÄDLER on Instagram Instagram MÄDLER on Xingk Xing MÄDLER on Linkedin LinkedIn